43105103 | Rotačná kefa so stopkou RBU 8010/6 INOX 0,20
Neštandardné rozmery brúsnych pásov sú dostupné na objednávku e-mallom obchod@abse.sk.
V prípade, že nebude možné objednať požadované množstvo, volajte prosím tel. 043 324 10 90
Podrobný popis
Popis:
Univerzálne použiteľný na čistenie, odhrdzavenie, vyhladzovanie, leštenie zvarov, ľahké odihlenie a odstraňovanie korózie a farby.
Na splnenie špecifických požiadaviek spracovania nehrdzavejúcej ocele (INOX) používa spoločnosť PFERD TOOLS pre všetky nerezové kefky drôt 1.4310 (V2A). Praktické skúsenosti z priemyselného prostredia potvrdzujú, že tento drôt ponúka vynikajúcu odolnosť proti korózii a optimálnu životnosť. Všetky kefky PFERD TOOLS s drôtom INOX sú označené modrou farbou a sú vhodné na použitie na všetkých nerezových oceliach (INOX), ako napríklad V4A. Drôt 1.4310 má počas kalenia tendenciu stať sa feromagnetickým, čo znamená, že ho priťahujú magnety. Je to spôsobené štrukturálnou zmenou spôsobenou deformáciou, napr. počas ťahania drôtu. To neovplyvňuje kvalitu ani odolnosť drôtu INOX proti korózii. Zachováva si svoje vlastnosti odolné voči korózii.
Drôt z nehrdzavejúcej ocele (INOX) odoláva teplotám až do 450 °C.
Výhody:
- Optimálne prispôsobenie sa kontúram obrobkov vďaka vysokej flexibilite.
- Vynikajúca odolnosť voči korózii.
- Vytvára jemné povrchy.
Doporučené použitie:
- Dodržiavajte odporúčané otáčky.
- Pre dosiahnutie najlepšieho výkonu použite pohon nástroja s výkonom najmenej 300 wattov.
Bezpečnostné upozornenie:
- Pri upínaní kefy dbajte na to, aby bola stopka čo najhlbšie upnutá v klieštine. Toto je obzvlášť dôležité pri použití pri vysokých otáčkach. Minimálna upínacia dĺžka je 10 mm.
Opracovaný materiál:
- Hliník
- Bronz
- Nehrdzavejúca oceľ (INOX)
- Vysokoteplotné materiály
- Zliatiny na báze kobaltu
- Tvrdé neželezné kovy
- Zliatiny na báze niklu (napr. Inconel a Hasteloy)
- Superzliatiny na báze niklu alebo titánu
- Titán
- Zliatiny titánu
- Ostatné neželezné kovy
- Mäkké zliatiny titánu (pevnosť v ťahu 500 N/mm²)
Úlohy opracovania:
- Odstraňovanie nábehových farieb
- Zdrsňovanie
- Odstraňovanie otrepov
- Odstraňovanie farby
- Odhrdzavenie
- Odstraňovanie oxidových vrstiev
- Čistenie
Pohon:
- Ohybný hriadeľ
- Vŕtačka
- Priama brúska
Dodatočné parametre
| Kategória: | Rotačné kefy so stopkou zvlnený drôt |
|---|---|
| Záruka: | 24 mesiacov |
| Hmotnosť: | 1.06 kg |
| EAN: | 4007220578919 |
| Materiál štetín: | nerezový drôt zvlnený 0,2 |
| Tvar štetín: | zvlnený drôt |
| Uchytenie: | 6 |
| Označenie kief: | RBU |
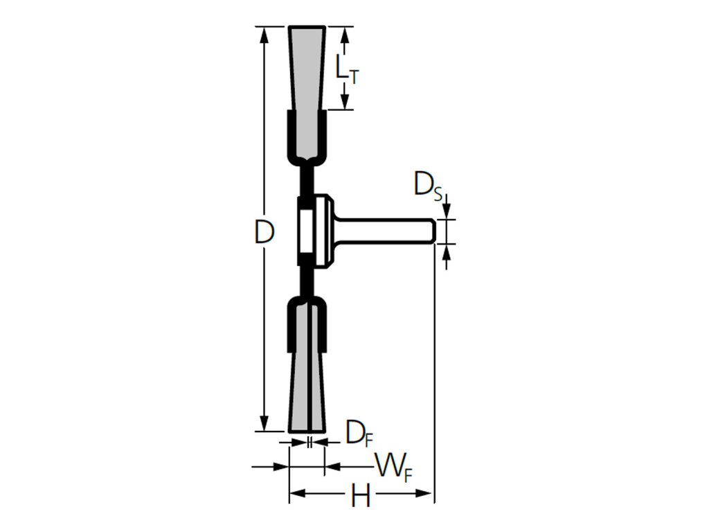
| Priemer (mm): | 80 |
| D (mm): | 80 |
| WF (mm): | 10 |
| LT (mm): | 19 |
| DF (mm): | 0,2 |
| Opt. otáčky (1/min): | 4800-7800 |
| Max. otáčky (1/min): | 12000 |
| H (mm): | 50 |
| DS (mm): | 6 |
Buďte prvý, kto napíše príspevok k tejto položke.
Značka Pferd má za sebou viac ako 100-ročnú históriu poskytovania nástrojov špičkovej kvality. Súčasný sortiment zahŕňa široký výber 6500 nástrojov na opracovanie povrchov a rezanie. Nástroje Pferd sú preferovanou voľbou tam, kde je kladený najvyšší dôraz na kvalitu a efektivitu spracovania. S ich spoľahlivosťou a vysokou účinnosťou sú neodmysliteľným partnerom pre profesionálne a priemyselné aplikácie.
Sortiment zahŕňa dielenské ostriace a rezacie pilníky, rašple, kopírovacie rotačné frézy, ako aj stopkové brúsne telieska, brúsne čiapočky, rolky a nosiče. Okrem toho ponúkame aj nástroje pre jemné brúsenie a leštenie, diamantové a CBN nástroje, brúsne a rezacie kotúče a technické kefy.

