43100302 | Rotačná kefa so stopkou RBU 1602/2,34 INOX 0,10
Neštandardné rozmery brúsnych pásov sú dostupné na objednávku e-mallom obchod@abse.sk.
V prípade, že nebude možné objednať požadované množstvo, volajte prosím tel. 043 324 10 90
Podrobný popis
Popis:
Vhodné na ľahké kefovacie práce, ako je odihlenie, čistenie a leštenie.
PFERD TOOLS ponúka široký sortiment miniatúrnych kief na presnú prácu. Tieto sa dajú použiť na pohonoch s ohybným hriadeľom, mikromotoroch alebo elektrických pohonoch.
Na splnenie špeciálnych požiadaviek spracovania nehrdzavejúcej ocele (INOX) používa PFERD TOOLS pre všetky nerezové kefky drôt triedy 1.4310 (V2A). Praktické skúsenosti z priemyselného prostredia potvrdzujú, že tento drôt ponúka vynikajúcu odolnosť proti korózii a optimálnu životnosť. Všetky kefy PFERD TOOLS s nerezovým lemom sú označené modrou farbou a sú vhodné na použitie na všetkých nerezových oceliach (INOX), ako napríklad V4A. Drôt triedy 1.4310 má počas kalenia tendenciu sa stať feromagnetickým, čo znamená, že ho priťahujú magnety. Je to spôsobené štrukturálnou zmenou spôsobenou deformáciou, napr. počas ťahania drôtu. To neovplyvňuje kvalitu a odolnosť nerezového drôtu proti korózii. Zachováva si svoje vlastnosti odolné voči korózii.
Nerezový drôt (uhlík) odoláva teplotám až do 450 °C.
Výhody:
- Najvyššia presnosť a efektivita pri spracovaní jemných obrobkov.
- Optimálne prispôsobenie sa kontúram obrobkov vďaka vysokej flexibilite.
- Vynikajúca odolnosť voči korózii.
- Vytvára jemné povrchy.
Doporučené použitie:
- Dodržiavajte odporúčané otáčky.
Bezpečnostné upozornenie:
- Pri upínaní kefy dbajte na to, aby bola stopka čo najhlbšie upnutá v klieštine. Toto je obzvlášť dôležité pri použití pri vysokých otáčkach. Minimálna upínacia dĺžka je 10 mm.
Opracovaný materiál:
- Hliník
- Bronz
- Nehrdzavejúca oceľ (INOX)
- Vysokoteplotné materiály
- Zliatiny na báze kobaltu
- Tvrdé neželezné kovy
- Zliatiny na báze niklu (napr. Inconel a Hasteloy)
- Superzliatiny na báze niklu alebo titánu
- Titán
- Zliatiny titánu
- Ostatné neželezné kovy
- Mäkké zliatiny titánu (pevnosť v ťahu 500 N/mm²)
Úlohy opracovania:
- Odstraňovanie nábehových farieb
- Zdrsňovanie
- Odstraňovanie otrepov
- Odstraňovanie farby
- Odhrdzavenie
- Odstraňovanie oxidových vrstiev
- Čistenie
Pohon:
- Ohybný hriadeľ
- Vŕtačka
- Priama brúska
Dodatočné parametre
| Kategória: | Rotačné kefy so stopkou zvlnený drôt |
|---|---|
| Záruka: | 24 mesiacov |
| Hmotnosť: | 0.05 kg |
| EAN: | 4007220032251 |
| Materiál štetín: | nerezový drôt zvlnený 0,1 |
| Tvar štetín: | zvlnený drôt |
| Uchytenie: | 6 |
| Označenie kief: | RBU |
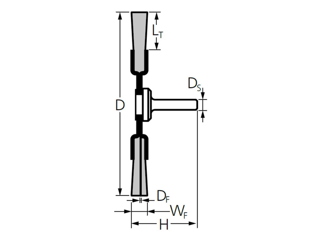
| Priemer (mm): | 16 |
| D (mm): | 16 |
| WF (mm): | 2 |
| LT (mm): | 3 |
| DF (mm): | 0,1 |
| Opt. otáčky (1/min): | 4000-10000 |
| Max. otáčky (1/min): | 12000 |
| H (mm): | 46 |
| DS (mm): | 2,34 |
Diskusia
Buďte prvý, kto napíše príspevok k tejto položke.
Značka Pferd má za sebou viac ako 100-ročnú históriu poskytovania nástrojov špičkovej kvality. Súčasný sortiment zahŕňa široký výber 6500 nástrojov na opracovanie povrchov a rezanie. Nástroje Pferd sú preferovanou voľbou tam, kde je kladený najvyšší dôraz na kvalitu a efektivitu spracovania. S ich spoľahlivosťou a vysokou účinnosťou sú neodmysliteľným partnerom pre profesionálne a priemyselné aplikácie.
Sortiment zahŕňa dielenské ostriace a rezacie pilníky, rašple, kopírovacie rotačné frézy, ako aj stopkové brúsne telieska, brúsne čiapočky, rolky a nosiče. Okrem toho ponúkame aj nástroje pre jemné brúsenie a leštenie, diamantové a CBN nástroje, brúsne a rezacie kotúče a technické kefy.

