T436893 | Brúsny kotúč s jednostranným skosením pre brúsenie píl 175x10x20 mm, 96A60M8V40 (Z60)
Neštandardné rozmery brúsnych pásov sú dostupné na objednávku e-mallom obchod@abse.sk.
V prípade, že nebude možné objednať požadované množstvo, volajte prosím tel. 043 324 10 90
Podrobný popis
Vhodné použitie:
- oceľ triedy 11
Možné použitie:
- oceľ < 55 HRC
Dodatočné parametre
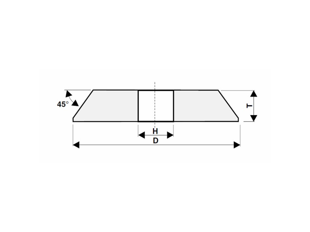
| Kategória: | Brúsne kotúče s jednostranným skosením na brúsenie píl, Tvar 1, profil C |
|---|---|
| Brusivo/pojivo: | umelý korund hnedý / pojivo keramické |
| Obrábaný materiál: | oceľ (trieda 11), oceľ ˂ 55 HRC |
| Rozmery DxTxH (mm): | 175x10x20 |
| Tvrdosť pojiva: | M |
| Zrnitosť: | 60 |
Diskusia
Buďte prvý, kto napíše príspevok k tejto položke.
Tyrolit je popredným svetovým výrobcom brúsnych a porovnávacích nástrojov a poskytovateľom systémov pre stavebný priemysel. Už od roku 1919 naše inovatívne nástroje výrazne prispeli k technologickému rozvoju v mnohých priemyselných odvetviach.
V ponuke Tyrolitu nájdete brúsne kotúče ploché, hrncovité, s obojstranným vybratím, s jednostranným vybratím, miskovité, kužeľové, tanierové a pod.

