T429239 | Brúsny kotúč hrncovitý 200x80x150-15x16 mm, 99BA40J9V32 (Z40)
Neštandardné rozmery brúsnych pásov sú dostupné na objednávku e-mallom obchod@abse.sk.
V prípade, že nebude možné objednať požadované množstvo, volajte prosím tel. 043 324 10 90
Podrobný popis
Vhodné použitie pre:
- oceľ triedy 11
Možné použitie pre:
- oceľ < 55 HRC
- nerez
- liatina
Dodatočné parametre
| Kategória: | Brúsne kotúče hrncovité |
|---|---|
| Brusivo/pojivo: | umelý korund biely / pojivo keramické |
| Max. obvodová rýchlosť (m/s): | 32 |
| Obrábaný materiál: | liatina, nerez, oceľ (trieda 11), oceľ ˂ 55 HRC |
| Tvrdosť: | K |
| Zrnitosť: | 46 |
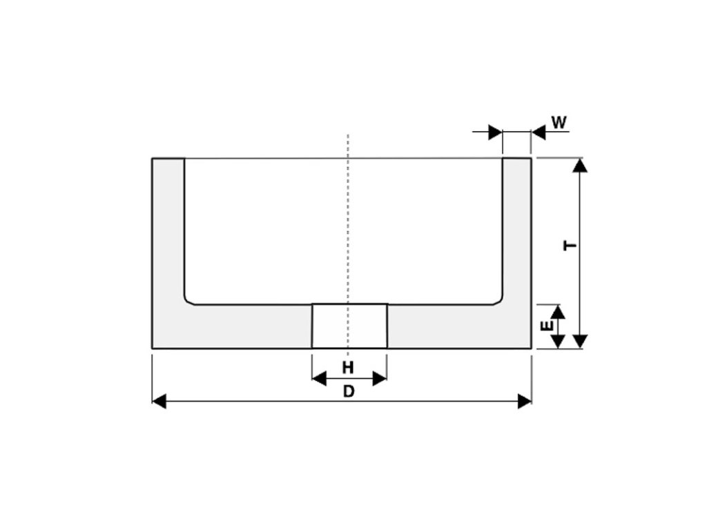
| Rozmery DxTxH-WxE (mm): | 200x80x150-15x16 |
Diskusia
Buďte prvý, kto napíše príspevok k tejto položke.
Tyrolit je popredným svetovým výrobcom brúsnych a porovnávacích nástrojov a poskytovateľom systémov pre stavebný priemysel. Už od roku 1919 naše inovatívne nástroje výrazne prispeli k technologickému rozvoju v mnohých priemyselných odvetviach.
V ponuke Tyrolitu nájdete brúsne kotúče ploché, hrncovité, s obojstranným vybratím, s jednostranným vybratím, miskovité, kužeľové, tanierové a pod.

