S112412L.030 | Fréza valcová čelná 3x5x54 Z3, λ 44°-46°, SK, W
Neštandardné rozmery brúsnych pásov sú dostupné na objednávku e-mallom obchod@abse.sk.
V prípade, že nebude možné objednať požadované množstvo, volajte prosím tel. 043 324 10 90
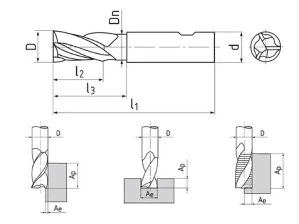
Podrobný popis
Frézy valcové čelné dlhé, 1 čepeľ cez stred, 44°-46°, typ W, weldon plôška
Vhodné na opracovanie:
- hliník, zliatiny Al-Si (≤ 6%) ≤ 400 N/mm2
- zliatiny hliníka (Si ≤ 12%) ≤ 600 N/mm2
- meď, zliatiny Cu, mosadz a bronz ≤ 800 N/mm2
- plasty ≤ 300 N/mm2
DIN 6535 HB - stopka Weldon
Typ W - pre opracovanie mäkkých materiálov, napr. hliníka a neželezných kovov
Uhol skrutkovice 44-46°, uhol čela 15°
Materiál nástroja - SC - tvrdokov
Chladenie olejom
Dodatočné parametre
| Kategória: | Frézy valcové čelné |
|---|---|
| Záruka: | 24 mesiacov |
| Materiál nástroja: | SC - tvrdokov |
| Obrábaný materiál: | hliník, farebné kovy |
| Označenie CNC fréz: | S112412L |
| Typ frézy: | W - pre opracovanie mäkkých materiálov |
| Upnutie: | Weldon |
| Požadovaná operácia: | Frézovanie do rohu, Frézovanie drážok |
| Vyhotovenie čela: | ostrohranné ostrie - 90° |
| Priemer (mm): | 3 |
Buďte prvý, kto napíše príspevok k tejto položke.
Pridať komentár

