1043-03-130 | Kontrolná a rysovacia podložka s výrezmi NEX, pár, 4x90°, ČSN 25 5533 130x50x110 mm
Neštandardné rozmery brúsnych pásov sú dostupné na objednávku e-mallom obchod@abse.sk.
V prípade, že nebude možné objednať požadované množstvo, volajte prosím tel. 043 324 10 90
Podrobný popis
Dodatočné parametre
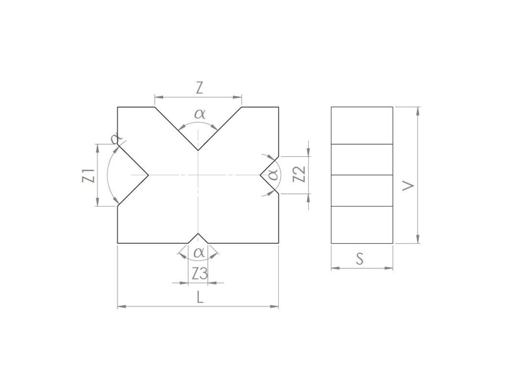
| Kategória: | Rysovacie podložky s tromi zárezmi |
|---|---|
| EAN: | 8595604715631 |
| Balenie: | 1 pár |
| Dĺžka (mm): | 130 |
| Hmotnosť (kg): | 8,70 |
| s (mm): | 50 |
| Uhol alfa: | 90 |
| v (mm): | 110 |
| Z (mm): | 70 |
| Z1 (mm): | 50 |
| Z2 (mm): | 30 |
| Z3 (mm): | 16 |
Buďte prvý, kto napíše príspevok k tejto položke.
Pridať komentár

