43220061 | Kužeľová kefa so stopkou KBU 7010/6 ST 0,30
Neštandardné rozmery brúsnych pásov sú dostupné na objednávku e-mallom obchod@abse.sk.
V prípade, že nebude možné objednať požadované množstvo, volajte prosím tel. 043 324 10 90
Podrobný popis
Popis:
Vynikajúce pre stredne náročné kefovacie práce, ako je odihlenie, čistenie a odhrdzavenie.
Oceľový drôt je najbežnejším materiálom štetín. Kefy s oceľovými štetinami sú obzvlášť vhodné na povrchovú úpravu a odihlenie. Špeciálny drôt PFERD TOOLS má vysokú pevnosť v ťahu a ohybe. To zaisťuje optimálne opotrebovanie drôtu a dlhú životnosť aj pri extrémnych kefovacích aplikáciách.
Oceľový drôt odolá teplotám až do 300 °C.
Výhody:
- Optimálny prístup k ťažko dostupným miestam, ako sú vnútorné hrany, drážky a štrbiny.
- Optimálne prispôsobenie sa kontúram obrobku vďaka vysokej flexibilite.
- Dlhá životnosť vďaka použitiu špeciálneho drôtu PFERD TOOLS.
- Vytvára jemné povrchy.
Doporučené použitie:
- Dodržiavajte odporúčané otáčky.
- Pre dosiahnutie optimálnych výsledkov používajte na uhlových brúskach s nastaviteľnou rýchlosťou.
Bezpečnostné upozornenie:
- Pri upínaní kefy dbajte na to, aby bola stopka čo najhlbšie upnutá v klieštine. Toto je obzvlášť dôležité pri použití pri vysokých otáčkach. Minimálna upínacia dĺžka je 10 mm.
Opracovaný materiál:
- Duroplasty
- Elastoméry
- Liatina
- Drevo
- Oceľ, oceľoliatina
- Oceľové materiály s tvrdosťou > 54 HRC
- Ocele s pevnosťou do 1 200 N/mm² (< 38 HRC)
- Termoplasty
Úlohy opracovania:
- Zdrsňovanie
- Odstraňovanie otrepov
- Odstraňovanie farby
- Odhrdzavenie
- Odstraňovanie oxidových vrstiev
- Čistenie
Pohonné zariadenie:
- ohybný hriadeľ
- vŕtačka
- priama brúska
Dodatočné parametre
| Kategória: | Kužeľové kefy |
|---|---|
| Záruka: | 24 mesiacov |
| Hmotnosť: | 1.2 kg |
| EAN: | 4007220936368 |
| Materiál štetín: | oceľový drôt zvlnený 0,3 |
| Tvar štetín: | zvlnený |
| Uchytenie: | stopka |
| Označenie kief: | KBU |
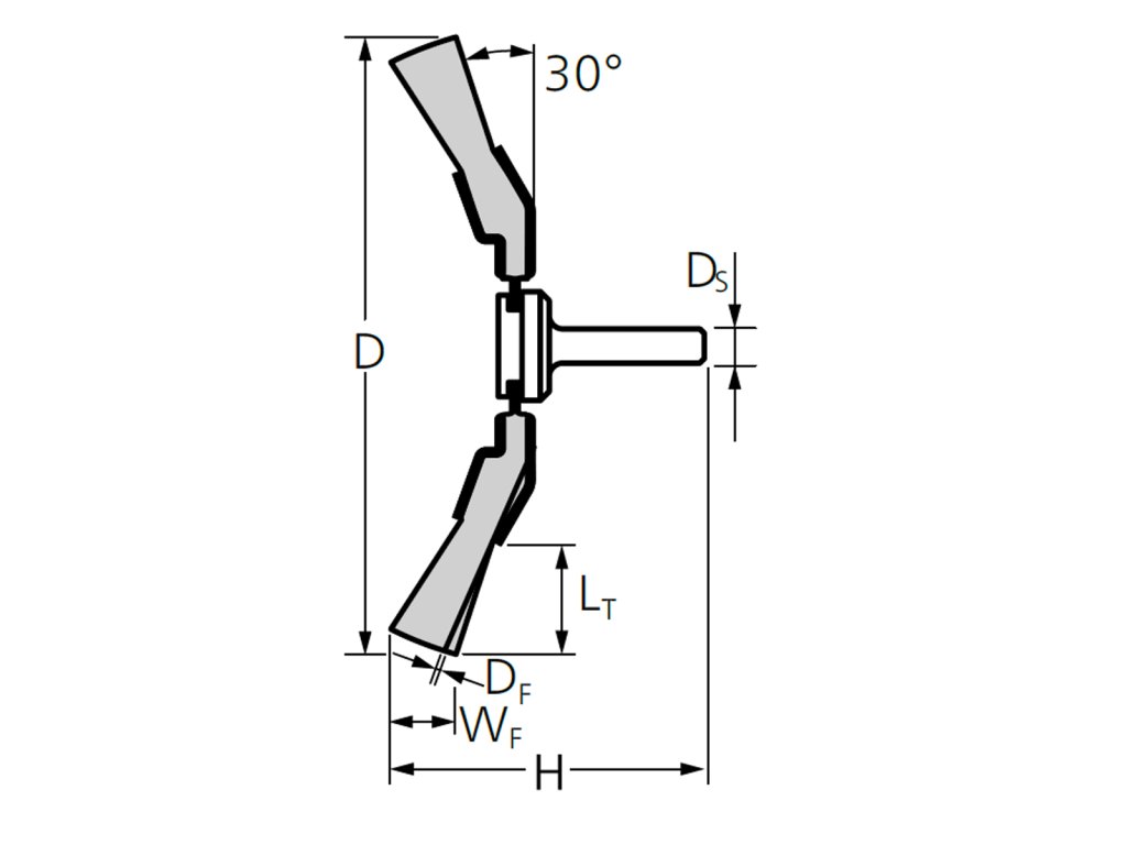
| Priemer (mm): | 70 |
| D (mm): | 70 |
| WF (mm): | 10 |
| LT (mm): | 15 |
| DF (mm): | 0,3 |
| Opt. otáčky (1/min): | 7500-11300 |
| Max. otáčky (1/min): | 15000 |
Diskusia
Buďte prvý, kto napíše príspevok k tejto položke.
Značka Pferd má za sebou viac ako 100-ročnú históriu poskytovania nástrojov špičkovej kvality. Súčasný sortiment zahŕňa široký výber 6500 nástrojov na opracovanie povrchov a rezanie. Nástroje Pferd sú preferovanou voľbou tam, kde je kladený najvyšší dôraz na kvalitu a efektivitu spracovania. S ich spoľahlivosťou a vysokou účinnosťou sú neodmysliteľným partnerom pre profesionálne a priemyselné aplikácie.
Sortiment zahŕňa dielenské ostriace a rezacie pilníky, rašple, kopírovacie rotačné frézy, ako aj stopkové brúsne telieska, brúsne čiapočky, rolky a nosiče. Okrem toho ponúkame aj nástroje pre jemné brúsenie a leštenie, diamantové a CBN nástroje, brúsne a rezacie kotúče a technické kefy.

